關于億杰消防
七氟丙烷自動滅火系統(tǒng)的工作原理
作者:億杰北京消防工程?? 添加時間:2018-11-06 15:38
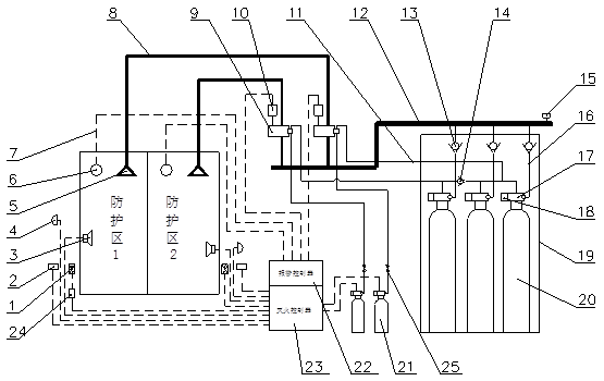
管網式七氟丙烷自動滅火系統(tǒng)的工作原理圖:

管網式系統(tǒng)示意圖

管網式系統(tǒng)示意圖
| 1.緊急啟停按鈕 | 2.放氣指示燈 | 3.聲報警器 | 4.聲光報警器 |
| 5.噴 嘴 | 6.火災探測器 | 7.電氣控制線路 | 8.滅火劑輸送管道 |
| 9.選擇閥 | 10.信號反饋裝置 | 11.啟動管路 | 12.集流管 |
| 13.滅火劑管路單向閥 | 14.啟動管路單向閥 | 15.安全泄壓閥 | 16.壓力軟管 |
| 17.滅火劑容器閥 | 18.機械應急啟動把手 | 19.瓶組架 | 20.滅火劑容器 |
| 21.啟動裝置 | 22.報警控制器 | 23.滅火控制器 | 24.安全隔離裝置 |
| 25.低泄高密閥 |
相關資訊
- 08-12使用柜式七氟丙烷鋼瓶時需要注意哪
- 08-12安裝柜式無官網七氟丙烷鋼瓶系統(tǒng)需
- 07-02消防主機氣體滅火主機指示燈顏色代
- 07-02海灣GST-QKP04氣體滅火控制器的技術參
- 07-02海灣氣體滅火控制器有哪些特點?
- 07-02氣體滅火控制器應該具有哪些功能?
- 05-14IG541 七氟丙烷鋼瓶的保養(yǎng)方法
- 05-14氣體滅火鋼瓶多久報廢?
- 05-14氣體滅火系統(tǒng)維修方法
- 02-26有報警功能的氣體滅火控制器調試方






